प्लास्टिक चुम्बकीय माइक्रो स्विच एक स्विच उपकरण हो जसले चुम्बकीय क्षेत्र संकेतहरू मार्फत सर्किटको अन-अफ नियन्त्रण गर्दछ। यसको मुख्य विशेषता गैर-सम्पर्क सञ्चालन हो, त्यसैले यसमा छिटो प्रतिक्रिया, लामो सेवा जीवन, र उच्च विश्वसनीयताका फाइदाहरू छन्, र व्यापक रूपमा औद्योगिक स्वचालन, सुरक्षा, मोटर वाहन, र स्मार्ट घर क्षेत्रहरूमा प्रयोग गरिन्छ।
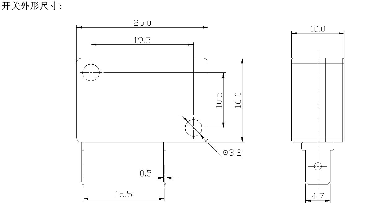
माइक्रो स्विच परिचय
चुम्बकीय स्विच एक स्विच उपकरण हो जसले चुम्बकीय क्षेत्र संकेतहरू मार्फत सर्किटको अन-अफ नियन्त्रण गर्दछ। यसको मुख्य विशेषता गैर-सम्पर्क सञ्चालन हो, त्यसैले यसमा छिटो प्रतिक्रिया, लामो सेवा जीवन, र उच्च विश्वसनीयताका फाइदाहरू छन्, र व्यापक रूपमा औद्योगिक स्वचालन, सुरक्षा, मोटर वाहन, र स्मार्ट घर क्षेत्रहरूमा प्रयोग गरिन्छ।
माइक्रो स्विच प्यारामिटर (विशिष्टता)
| प्राविधिक विशेषताहरू स्विच गर्नुहोस्: | |||
| ITEM | प्राविधिक प्यारामिटर | मूल्य | |
| 1 | विद्युत मूल्याङ्कन | 5(2)A/10A/16(3)A/21(8)A 250VAC | |
| 2 | सम्पर्क प्रतिरोध | ≤30mΩ प्रारम्भिक मान | |
| 3 | इन्सुलेशन प्रतिरोध | ≥100MΩ (500VDC) | |
| 4 |
डाइलेक्ट्रिक भोल्टेज |
बीचमा गैर-जडान टर्मिनलहरू |
1000V/0.5mA/60S |
|
टर्मिनलहरू बीच र धातु फ्रेम |
3000V/0.5mA/60S | ||
| 5 | विद्युतीय जीवन | ≥50000 चक्र | |
| 6 | यान्त्रिक जीवन | ≥1000000 चक्र | |
| 7 | सञ्चालन तापमान | -25 ~ 125 ℃ | |
| 8 | सञ्चालन आवृत्ति |
विद्युतीय : 15 चक्र मेकानिकल: 60 चक्र |
|
| 9 | कम्पन प्रमाण |
कम्पन आवृत्ति: 10 ~ 55HZ; आयाम: 1.5 मिमी; तीन दिशाहरू: 1 एच |
|
| 10 |
मिलाप क्षमता: डुबेको भागको ८०% भन्दा बढी सोल्डरले ढाकिएको हुनुपर्छ |
सोल्डरिंग तापमान: 235 ± 5 ℃ डुब्ने समय: 2~3S |
|
| 11 | मिलाप गर्मी प्रतिरोध |
डिप सोल्डरिङ: 260±5℃ 5±1S म्यानुअल सोल्डरिङ: 300±5℃ 2~3S |
|
| 12 | सुरक्षा स्वीकृतिहरू | UL, CSA, VDE, ENEC, TUV, CE, KC, CQC | |
| 13 | परीक्षण सर्तहरू |
परिवेश तापमान: 20 ± 5 ℃ सापेक्षिक आर्द्रता: 65±5% RH हावाको चाप: 86~106KPa |
|
माइक्रो स्विच सुविधा र आवेदन
माइक्रो स्विच विवरण
