Yueqing Tongda वायर इलेक्ट्रिक फ्याक्ट्रीको माइक्रो स्विच श्रृंखलाको बेन्चमार्क मोडेलको रूपमा, फ्रिज र इलेक्ट्रिक खेलौनाहरूको लागि सामान्य रूपमा खुला स्वचालित रिसेट माइक्रो स्विचले यसको मुख्य फाइदाहरूको रूपमा "उच्च संवेदनशीलता, अति-लामो आयु, र बहु-परिदृश्य अनुकूलनता" सुविधाहरू समावेश गर्दछ। कम्पनीको 35 वर्षको स्विच निर्माण विशेषज्ञतालाई एकीकृत गर्दै, यो घरेलु उपकरणहरू, अटोमोटिभ इलेक्ट्रोनिक्स, औद्योगिक स्वचालन, र अन्य क्षेत्रहरूमा एक प्रमुख नियन्त्रण घटक भएको छ, यसको न्यूनतम सम्पर्क अन्तर र द्रुत कार्य संयन्त्रलाई धन्यवाद। यसको प्रदर्शन र विश्वसनीयता विश्वव्यापी धेरै आधिकारिक संस्थाहरू द्वारा प्रमाणित गरिएको छ, आला बजारमा यसको मुख्यधारा स्थिति सुरक्षित गर्दै।
माइक्रो स्विच परिचय
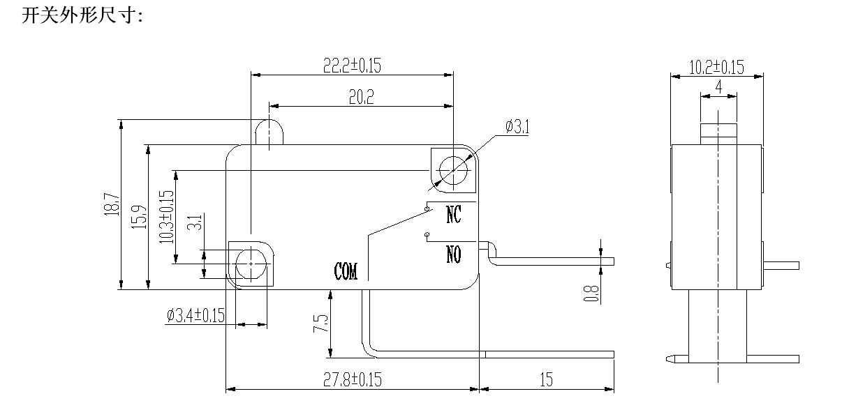
HK-14 श्रृंखलाले विभिन्न अनुप्रयोग आवश्यकताहरू पूरा गर्न अत्यधिक लचिलो अनुकूलन विकल्पहरू प्रदान गर्दछ। अपरेटिङ फोर्स (5.0 N भन्दा कम लीभर-फ्री स्टेटमा, मानक 30±15 gf), 0.6-1.5 mm को अपरेटिङ स्ट्रोक दायराको साथ, विभिन्न ट्रिगर बल र विस्थापन परिदृश्यहरूको लागि उपयुक्त अनुकूलित गर्न सकिन्छ। लीभर शैलीहरू अनुकूलन योग्य छन्, सीधा, बान्ट, र रोलर लिभरहरू सहित, जसले विभिन्न मेकानिकल प्रसारण संरचनाहरूसँग मेल खान सक्छ। सम्पर्क फारमहरूले SPDT (1NO 1NC), NO, र NC को पूर्ण दायरालाई समेट्छ।
माइक्रो स्विच प्यारामिटर (विशिष्टता)
| प्राविधिक विशेषताहरू स्विच गर्नुहोस्: | |||
| ITEM | प्राविधिक प्यारामिटर | मूल्य | |
| 1 | विद्युत मूल्याङ्कन | 5(2)A/10A/16(3)A/21(8)A 250VAC | |
| 2 | सम्पर्क प्रतिरोध | ≤30mΩ प्रारम्भिक मान | |
| 3 | इन्सुलेशन प्रतिरोध | ≥100MΩ (500VDC) | |
| 4 |
डाइलेक्ट्रिक भोल्टेज |
बीचमा गैर-जडान टर्मिनलहरू |
1000V/0.5mA/60S |
|
टर्मिनलहरू बीच र धातु फ्रेम |
3000V/0.5mA/60S | ||
| 5 | विद्युतीय जीवन | ≥50000 चक्र | |
| 6 | यान्त्रिक जीवन | ≥1000000 चक्र | |
| 7 | सञ्चालन तापमान | -25 ~ 125 ℃ | |
| 8 | सञ्चालन आवृत्ति |
विद्युतीय : 15 चक्र मेकानिकल: 60 चक्र |
|
| 9 | कम्पन प्रमाण |
कम्पन आवृत्ति: 10 ~ 55HZ; आयाम: 1.5 मिमी; तीन दिशाहरू: 1 एच |
|
| 10 |
मिलाप क्षमता: डुबेको भागको ८०% भन्दा बढी सोल्डरले ढाकिएको हुनुपर्छ |
सोल्डरिंग तापमान: 235 ± 5 ℃ डुब्ने समय: 2~3S |
|
| 11 | मिलाप गर्मी प्रतिरोध |
डिप सोल्डरिङ: 260±5℃ 5±1S म्यानुअल सोल्डरिङ: 300±5℃ 2~3S |
|
| 12 | सुरक्षा स्वीकृतिहरू | UL, CSA, VDE, ENEC, TUV, CE, KC, CQC | |
| 13 | परीक्षण सर्तहरू |
परिवेश तापमान: 20 ± 5 ℃ सापेक्षिक आर्द्रता: 65±5% RH हावाको चाप: 86~106KPa |
|
माइक्रो स्विच सुविधा र आवेदन
माइक्रो स्विच विवरण
