स्वतन्त्र Duar-Prab सीमा सीमा यात्रा स्विच मेकानिकल गति द्वारा एक स्वचालित नियन्त्रण कम्पोनेन्ट हो। यसको कोर प्रकार्य भनेको सर्किटहरू खोल्न र बन्द गर्न वस्तुको विस्थापन वा स्ट्रोक पत्ता लगाउन, उपकरणको सुरूवात र स्टप प्राप्त गर्न, वा सीमा संरक्षण गर्न। यो औद्योगिक स्वचालन र इलेक्ट्रोमेकानिकल उपकरणहरूमा एक अपरिहार्य 'सुरक्षा सेनेटइन' र 'कार्य आदेशकर्ता हो।
विजुलीको स्विच हातज्यूबयान
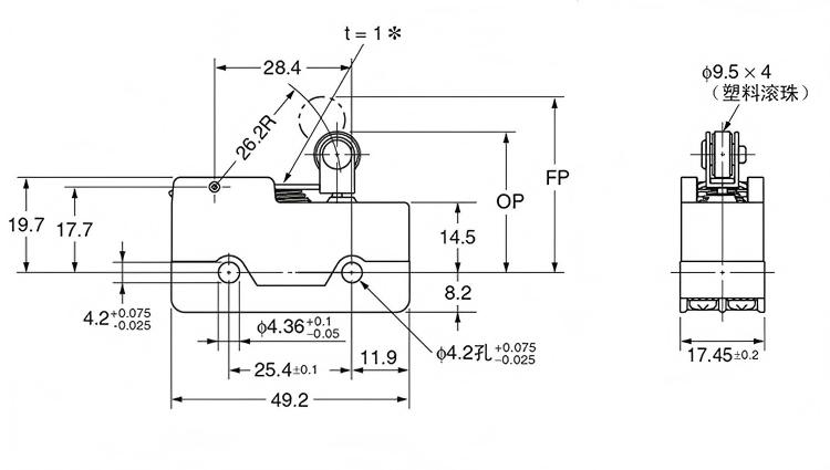
यात्रा स्विच (सीमा स्विच को रूप मा पनि चिनिन्छ) एक स्वचालित नियन्त्रण कम्पोनेन्ट हो जुन मेकानिकल गतिबाट ट्रिगर गरिएको हो। यसको कोर प्रकार्य भनेको सर्किटहरू खोल्न र बन्द गर्न वस्तुको विस्थापन वा स्ट्रोक पत्ता लगाउन, उपकरणको सुरूवात र स्टप प्राप्त गर्न, वा सीमा संरक्षण गर्न। यो औद्योगिक स्वचालन र इलेक्ट्रोमेकानिकल उपकरणहरूमा एक अपरिहार्य 'सुरक्षा सेनेटइन' र 'कार्य आदेशकर्ता हो।
विजुलीको स्विच पसंगिकाटियो
घर उपकरण र स्मार्ट घर मा आवेदन:
धुने मेसिन:एक सीमा स्विच एक फ्रन्ट-लोड गर्दैको ढोकाको ढोकामा स्थापना गरिएको छ। उपकरण पूर्ण रूपमा बन्द भएपछि मात्र उपकरण सुरू हुन्छ र स्विच सर्किट गर्दछ, जसले पानी चुहावट वा कपडालाई अपरेशनको बखत निकालिन्छ।
रिफ्रिजरेजकर्ता / ओभन:जब एक फ्रिजर ढोका बन्द छ, स्विच ट्रिगर आन्तरिक प्रकाश बन्द गर्न ट्रिगर ट्रिगर गर्दछ। यसको विपरीत, यदि चुलो ढोका बन्द छ भने, स्विचलाई तातो चुहावट रोक्न स्विच काट्ने छ।
विजुलीको स्विच विवरण
