Yueqing Tongda वायर इलेक्ट्रिक फ्याक्ट्रीको माइक्रो स्विच श्रृंखलाको बेन्चमार्क मोडेलको रूपमा, HK-14 उच्च-तापमान प्रतिरोधी 16A 250V उच्च-वर्तमान माइक्रोवेभ माइक्रो स्विचले "उच्च संवेदनशीलता, अति-लामो आयु, र बहु-परिदृश्य अनुकूलताको रूपमा यसको सह-अनुकूलता" सुविधा दिन्छ। कम्पनीको 35 वर्षको स्विच निर्माण विशेषज्ञतालाई एकीकृत गर्दै, यो घरेलु उपकरणहरू, अटोमोटिभ इलेक्ट्रोनिक्स, औद्योगिक स्वचालन, र अन्य क्षेत्रहरूमा एक प्रमुख नियन्त्रण घटक भएको छ, यसको न्यूनतम सम्पर्क अन्तर र द्रुत कार्य संयन्त्रलाई धन्यवाद। यसको प्रदर्शन र विश्वसनीयता विश्वव्यापी धेरै आधिकारिक संस्थाहरू द्वारा प्रमाणित गरिएको छ, आला बजारमा यसको मुख्यधारा स्थिति सुरक्षित गर्दै।
माइक्रो स्विच परिचय
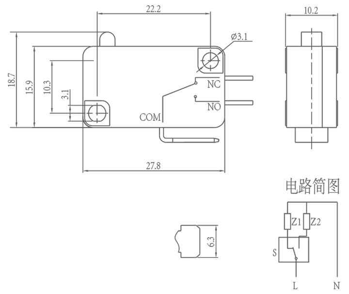
HK-14 श्रृंखलाले विभेदित अनुप्रयोगहरूको आवश्यकताहरू पूरा गर्न अत्यधिक लचिलो अनुकूलन विकल्पहरू प्रदान गर्दछ। अपरेटिङ फोर्स अनुकूलन योग्य छ (लेभरलेस अवस्थामा 5.0N भन्दा कम, सामान्यतया 30±15gf), 0.6 देखि 1.5mm को अपरेटिङ स्ट्रोक दायरा सहित, विभिन्न ट्रिगर बल र विस्थापन परिदृश्यहरू समायोजन। विभिन्न मेकानिकल प्रसारण संरचनाहरू अनुरूप सीधा लिभरहरू, बेन्ट लिभरहरू, र रोलर लिभरहरू सहित, लीभर शैलीहरू अनुकूलन योग्य छन्। सम्पर्क प्रकारहरूमा SPDT (1NO+1NC), NO, र NC समावेश छन्, पूर्ण दायरा कभर गर्दै, एकल नियन्त्रण, इन्टरलक, र अन्य सर्किट डिजाइन आवश्यकताहरू पूरा गर्न।
स्थापना र उपयोग दिशानिर्देश
स्थापना गर्दा, स्विचलाई समतल सतहमा माउन्ट गरिएको हुनुपर्छ र असमान सतहहरूको कारणले गर्दा खराबी वा केसिङ क्षतिलाई रोक्नको लागि फ्ल्याट वाशर वा स्प्रिङ वाशरले बाँधिएको हुनुपर्छ। वातावरणमा आधारित मोडेलहरू छनौट गर्नुहोस्: आर्द्र वा धुलो अवस्थाहरूको लागि, सुरक्षा बढाउनको लागि सिल गरिएको अनुकूलन संस्करण प्रयोग गर्न सिफारिस गरिन्छ। कन्ट्याक्ट टाँसिने, कार्यात्मक विफलता, वा बर्नआउटलाई रोक्नको लागि बटन वा एक्चुएटरमा लुब्रिकेटिङ तेल नदिनुहोस्। भण्डारणको समयमा, उत्पादनलाई सुख्खा, हावा चल्ने ठाउँमा राख्नुहोस्, वर्षा वा हिउँबाट सुरक्षित राख्नुहोस्, र उच्च तापक्रम र आर्द्रताबाट बच्न जसले कम्पोनेन्टको पुरानो कार्यसम्पादनलाई सुनिश्चित गर्दछ।
माइक्रो स्विच प्यारामिटर (विशिष्टता)
| प्राविधिक विशेषताहरू स्विच गर्नुहोस्: | |||
| ITEM | प्राविधिक प्यारामिटर | मूल्य | |
| 1 | विद्युत मूल्याङ्कन | 5(2)A/10A/16(3)A/21(8)A 250VAC | |
| 2 | सम्पर्क प्रतिरोध | ≤30mΩ प्रारम्भिक मान | |
| 3 | इन्सुलेशन प्रतिरोध | ≥100MΩ (500VDC) | |
| 4 |
डाइलेक्ट्रिक भोल्टेज |
बीचमा गैर-जडान टर्मिनलहरू |
1000V/0.5mA/60S |
|
टर्मिनलहरू बीच र धातु फ्रेम |
3000V/0.5mA/60S | ||
| 5 | विद्युतीय जीवन | ≥50000 चक्र | |
| 6 | यान्त्रिक जीवन | ≥1000000 चक्र | |
| 7 | सञ्चालन तापमान | -25 ~ 125 ℃ | |
| 8 | सञ्चालन आवृत्ति |
विद्युतीय : 15 चक्र मेकानिकल: 60 चक्र |
|
| 9 | कम्पन प्रमाण |
कम्पन आवृत्ति: 10 ~ 55HZ; आयाम: 1.5 मिमी; तीन दिशाहरू: 1 एच |
|
| 10 |
मिलाप क्षमता: डुबेको भागको ८०% भन्दा बढी सोल्डरले ढाकिएको हुनुपर्छ |
सोल्डरिंग तापमान: 235 ± 5 ℃ डुब्ने समय: 2~3S |
|
| 11 | मिलाप गर्मी प्रतिरोध |
डिप सोल्डरिङ: 260±5℃ 5±1S म्यानुअल सोल्डरिङ: 300±5℃ 2~3S |
|
| 12 | सुरक्षा स्वीकृतिहरू | UL, CSA, VDE, ENEC, TUV, CE, KC, CQC | |
| 13 | परीक्षण सर्तहरू |
परिवेश तापमान: 20 ± 5 ℃ सापेक्षिक आर्द्रता: 65±5% RH हावाको चाप: 86~106KPa |
|
माइक्रो स्विच सुविधा र आवेदन
माइक्रो स्विच विवरण
