कोर मानकीकरण र अनुकूलनको एकीकरणलाई मूर्त रूप दिने Yueqing Tongda केबल पावर प्लान्टको एक प्रतिनिधि उत्पादनको रूपमा, ग्यास वाटर हिटर र ग्यास चुलो माइक्रो स्विच स्विच "स्थिरता, विश्वसनीयता, र दृश्य अनुकूलता" को मूल सिद्धान्तहरूसँग डिजाइन गरिएको छ। यसले कम्पनीको 35 वर्षको स्विच निर्माण विशेषज्ञता समावेश गर्दछ, विद्युतीय कार्यसम्पादन, सुरक्षा स्तरहरू, र प्रयोगकर्ता अनुभवमा बहु अप्टिमाइजेसनहरू प्राप्त गर्दै। यो स्विच स्मार्ट होम पावर वितरण, औद्योगिक सहायक उपकरण, र साना चिकित्सा उपकरणहरू जस्ता परिदृश्यहरूमा व्यापक रूपमा लागू हुन्छ, यसलाई अनुकूलन क्षमताको साथ विश्वव्यापीतालाई सन्तुलनमा राख्ने रुचाइएको सर्किट नियन्त्रण घटक बनाउँछ।
माइक्रो स्विचपरिचय
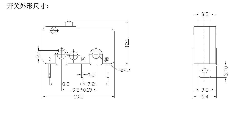
HK-04G-L स्विचले मुख्य प्यारामिटरहरूको लागि व्यावहारिक आवश्यकताहरूमा ध्यान केन्द्रित गर्दछ, विभिन्न परिदृश्यहरूको लागि आधारभूत नियन्त्रण मापदण्डहरू पूरा गर्दछ। सम्पर्कहरू चाँदी-टिन मिश्र धातुबाट बनेका हुन्छन् र ≤8mΩ को प्रारम्भिक सम्पर्क प्रतिरोधको साथ, सटीक वेल्डिंगको साथ प्रशोधन गरिन्छ। यसले भरपर्दो रूपमा 10A-16A AC करेन्ट (मूल्याङ्कन गरिएको भोल्टेज 250V AC) बोक्न सक्छ, धेरैजसो घरायसी र साना औद्योगिक उपकरणहरूको पावर मागहरूका लागि उपयुक्त छ, प्रभावकारी रूपमा हालको ओभरलोडको कारणले गर्दा सम्पर्क ओभरहेटिंग वा इरोसनको समस्याहरूलाई रोक्न सक्छ।
ट्रिगर र जीवनकाल प्रदर्शन समान रूपमा विश्वसनीय छ: यसले रकर-प्रकारको ट्रिगर संरचना प्रयोग गर्दछ, 1.3-1.6mm को थिच्ने यात्रा र 1.5-3N भित्र नियन्त्रित अपरेटिङ फोर्सको साथ। सक्रियता प्रतिक्रिया स्पष्ट र चिल्लो छ, दैनिक प्रयोग "अनुत्तरदायी थिच्ने" अनुभव गर्न असम्भव बनाउँदै। मेकानिकल आयु 80,000 थिच्ने चक्र सम्म पुग्छ, र बिजुलीको आयु 50,000 चक्र भन्दा बढी छ। रेफ्रिजरेटर, साना फ्यान, र व्यावसायिक प्रिन्टरहरू जस्ता उच्च-फ्रिक्वेन्सी प्रयोग यन्त्रहरूमा, यसले 3-5 वर्षको लागि स्थिर सञ्चालन हासिल गर्न सक्छ।
वातावरणीय अनुकूलनताले परम्परागत परिदृश्य आवश्यकताहरू पूरा गर्दछ: उत्पादन -30°C देखि 80°C को तापमान दायरा भित्र सञ्चालन हुन्छ, उत्तरी जाडोमा कम तापक्रम र गर्मीमा तातो अपव्यय अवस्थाहरू ह्यान्डल गर्न सक्षम हुन्छ; इन्सुलेशन प्रतिरोध ≥50MΩ (500VDC) हो, र टर्मिनल भोल्टेजले 800V AC सम्म पुग्छ, घरेलु र व्यावसायिक प्रयोगको लागि सुरक्षा विद्युतीय मापदण्डहरू पूरा गर्दछ। थप रूपमा, आवरण ज्वाला-प्रतिरोधी ABS सामग्रीबाट बनेको छ (UL94 V-1 सँग अनुरूप), सर्किट सर्ट सर्किटको कारणले हुने सुरक्षा जोखिमहरू कम गर्दै।
माइक्रो स्विचआवेदन
स्मार्ट घर र घरायसी परिदृश्यहरूमा, HK-04G-L, यसको कम्प्याक्ट साइज (लगभग 20×15×10mm, L×W×H) लाई सजिलैसँग स्मार्ट वितरण बक्सहरू, भित्ता-माउन्ट गरिएका सकेटहरू, र सानो उपकरण नियन्त्रण प्यानलहरूमा एकीकृत गर्न सकिन्छ। यो हाल प्रकाश नियन्त्रण र उपकरण पावर स्विचिङ जस्ता कार्यहरूको लागि धेरै घरेलु स्मार्ट घर ब्रान्डहरू द्वारा प्रयोग गरिएको घटक भएको छ। एउटा ब्रान्डले रिपोर्ट गरेको छ कि यससँग सुसज्जित उत्पादनहरूको असफलता परम्परागत स्विचहरू भन्दा 40% कम छ।
साना-स्तरीय औद्योगिक र व्यावसायिक परिदृश्यहरूमा, उत्पादन साना कन्वेयर उपकरण, व्यावसायिक कफी मेसिन, अफिस प्रिन्टर, र अन्य उपकरणहरूको शक्ति नियन्त्रणको लागि उपयुक्त छ। टर्मिनल जडान संरचना अप्टिमाइज गरेर, यसले द्रुत तारिङ स्थापनालाई समर्थन गर्दछ, उपकरण विधानसभा दक्षता बृद्धि गर्दछ। पहिले, एक व्यावसायिक उपकरण निर्माताको लागि अनुकूलित संस्करण, टर्मिनल स्पेसिङ समायोजन गरेर, तिनीहरूको उपकरणको कम्प्याक्ट आन्तरिक तारिङ आवश्यकताहरू पूरा गर्यो, 25% द्वारा स्थापना दक्षता सुधार।
माइक्रो स्विच निर्दिष्टीकरण
| प्राविधिक विशेषताहरू स्विच गर्नुहोस्: | |||
| ITEM | प्राविधिक प्यारामिटर | मूल्य | |
| 1 | विद्युत मूल्याङ्कन | 5(2)A 125V/250VAC 10(3)125V/250VAC | |
| 2 | सम्पर्क प्रतिरोध | ≤50mΩ प्रारम्भिक मान | |
| 3 | इन्सुलेशन प्रतिरोध | ≥100MΩ (500VDC) | |
| 4 |
डाइलेक्ट्रिक भोल्टेज |
बीचमा गैर-जडान टर्मिनलहरू |
500V/0.5mA/60S |
| टर्मिनलहरू बीच र धातु फ्रेम |
1500V/0.5mA/60S | ||
| 5 | विद्युतीय जीवन | ≥10000 चक्र | |
| 6 | यान्त्रिक जीवन | ≥100000 चक्र | |
| 7 | सञ्चालन तापमान | -25 ~ 125 ℃ | |
| 8 | सञ्चालन आवृत्ति | विद्युतीय: 15 चक्र मेकानिकल: 60 चक्र |
|
| 9 | कम्पन प्रमाण | कम्पन आवृत्ति: 10 ~ 55HZ; आयाम: 1.5 मिमी; तीन दिशाहरू: 1 एच |
|
| 10 | मिलाप क्षमता: डुबेको भागको ८०% भन्दा बढी सोल्डरले ढाकिएको हुनुपर्छ |
सोल्डरिंग तापमान: 235 ± 5 ℃ डुब्ने समय: 2~3S |
|
| 11 | मिलाप गर्मी प्रतिरोध | डिप सोल्डरिङ: 260±5℃ 5±1S म्यानुअल सोल्डरिङ: 300±5℃ 2~3S |
|
| 12 | सुरक्षा स्वीकृतिहरू | UL, CSA, VDE, ENEC, CE | |
| 13 | परीक्षण सर्तहरू | परिवेश तापमान: 20 ± 5 ℃ सापेक्षिक आर्द्रता: 65±5% RH हावाको चाप: 86~106KPa |
|
Tongda तार इलेक्ट्रिक माइक्रो USB इनलाइन पावर स्विच विवरणहरू

