मुख्य मानकीकरण र अनुकूलनको एकीकरणलाई मूर्त रूप दिने Yueqing Tongda वायर इलेक्ट्रिक फ्याक्ट्रीको प्रतिनिधि उत्पादनको रूपमा, 5A उच्च-तापमान प्रतिरोधी माइक्रो स्विच प्रिन्टरहरूको लागि सामान्यतया खुला र सामान्य रूपमा बन्द "स्थिरता, विश्वसनीयता, र दृश्य अनुकूलता" को मूल सिद्धान्तहरूसँग डिजाइन गरिएको छ। यसले कम्पनीको 35 वर्षको स्विच निर्माण विशेषज्ञता समावेश गर्दछ, विद्युतीय कार्यसम्पादन, सुरक्षा स्तरहरू, र प्रयोगकर्ता अनुभवमा बहु अप्टिमाइजेसनहरू प्राप्त गर्दै। यो स्विच स्मार्ट होम पावर वितरण, औद्योगिक सहायक उपकरण, र साना चिकित्सा उपकरणहरू जस्ता परिदृश्यहरूमा व्यापक रूपमा लागू हुन्छ, यसलाई अनुकूलन क्षमताको साथ विश्वव्यापीतालाई सन्तुलनमा राख्ने रुचाइएको सर्किट नियन्त्रण घटक बनाउँछ।
माइक्रो स्विचपरिचय
माइक्रो स्विचहरू (जसलाई स्न्याप-एक्शन स्विचहरू पनि भनिन्छ) तात्कालिक सक्रियता प्राप्त गर्नको लागि स्प्रिङ-लोड गरिएको मेकानिज्म प्रयोग गर्दछ - कुनै ढिलो थिच्नु आवश्यक पर्दैन। तिनीहरूले तुरुन्तै सम्पर्कहरू खोल्न वा बन्द गर्न सक्छन्, ढिलाइ बिना स्थिर प्रदर्शन सुनिश्चित गर्दै। खरीददारहरूका लागि, यसको अर्थ उच्च स्थायित्व (सम्पर्क पहिरन घटाउने) र सटीकता हो, अटाइएको स्विचहरूबाट हुने सुरक्षा जोखिमहरूबाट बच्न मद्दत गर्दछ।
निम्न मुख्य उत्पादन चरणहरू छन् जुन खरीददारहरूले उत्पादनको गुणस्तर मूल्याङ्कन गर्न बुझ्न आवश्यक छ:
1. कम्पोनेन्ट निर्माण: सटीक मेशिन धातु सम्पर्क र स्प्रिंग्स; टिकाऊ आवरण (प्लास्टिक / धातु सामग्री)।
2. असेंबली: कार्यसम्पादनलाई असर गर्नबाट जोगिनका लागि स्प्रिङ्हरू, सम्पर्कहरू, र एक्चुएटरहरू सही रूपमा जम्मा गर्ने।
३. परीक्षण: विश्वसनीयता सुनिश्चित गर्न कडा परीक्षण (हजारौं प्रेस परीक्षण, विद्युतीय निरन्तरता परीक्षण)।
4. प्याकेजिङ्ग: सजिलो यातायात को लागी सुरक्षा प्याकेजिङ्ग, निर्दिष्टीकरण को स्पष्ट लेबल संग।
माइक्रो स्विचआवेदन
माइक्रो स्विचहरू व्यापक रूपमा प्रयोग गरिन्छ र प्रदर्शनमा भरपर्दो छ, मुख्य रूपमा लागू गरिन्छ:
- घरायसी उपकरणहरू: रेफ्रिजरेटर बत्तीहरू, माइक्रोवेभ ओभनको ढोका लकहरू, धुने मेसिनको ढक्कन स्विचहरू, र टोस्टर टाइमरहरू।
- औद्योगिक उपकरणहरू: कन्वेयर बेल्ट, मेसिनरी, र नियन्त्रण प्यानलहरू (धूलो प्रतिरोधी र नमी-प्रूफ) को लागि उपयुक्त भारी शुल्क मोडेलहरू।
- अटोमोटिभ क्षेत्र: विन्डशील्ड वाइपर, ढोका-अजार सूचकहरू - कम्पन र चरम तापक्रम सामना गर्न सक्षम।
- इलेक्ट्रोनिक उपकरणहरू: रिमोट कन्ट्रोलहरू र खेल नियन्त्रकहरूका लागि लघु स्विचहरू (उत्तरदायी र दीर्घकालीन)।
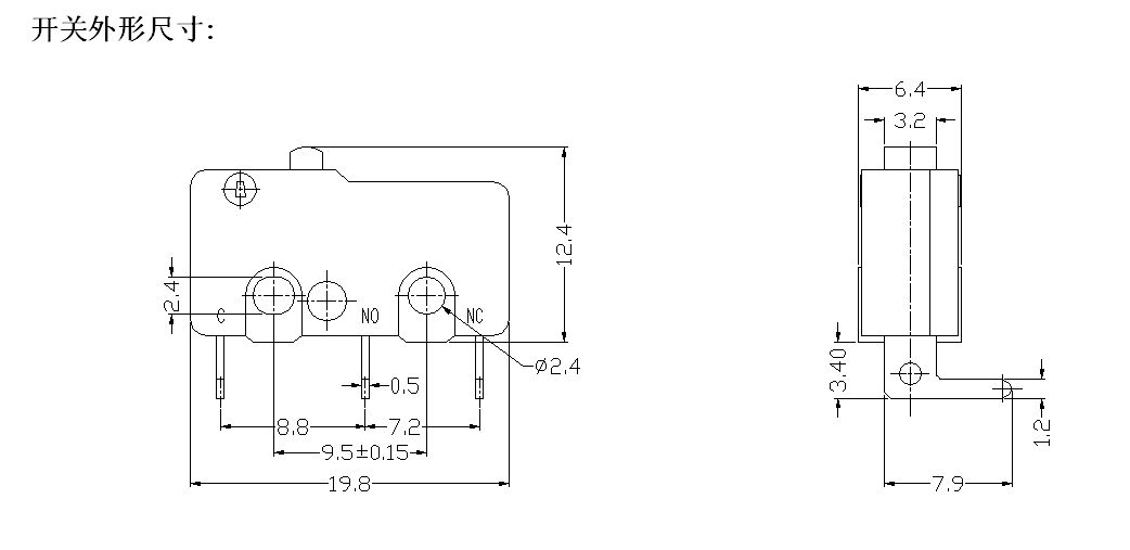
माइक्रो स्विच विशिष्टता
| प्राविधिक विशेषताहरू स्विच गर्नुहोस्: | |||
| ITEM | प्राविधिक प्यारामिटर | मूल्य | |
| 1 | विद्युत मूल्याङ्कन | 5(2)A 125V/250VAC 10(3)125V/250VAC | |
| 2 | सम्पर्क प्रतिरोध | ≤50mΩ प्रारम्भिक मान | |
| 3 | इन्सुलेशन प्रतिरोध | ≥100MΩ (500VDC) | |
| 4 |
डाइलेक्ट्रिक भोल्टेज |
बीचमा गैर-जडान टर्मिनलहरू |
500V/0.5mA/60S |
| टर्मिनलहरू बीच र धातु फ्रेम |
1500V/0.5mA/60S | ||
| 5 | विद्युतीय जीवन | ≥10000 चक्र | |
| 6 | यान्त्रिक जीवन | ≥100000 चक्र | |
| 7 | सञ्चालन तापमान | -25 ~ 125 ℃ | |
| 8 | सञ्चालन आवृत्ति | विद्युतीय: 15 चक्र मेकानिकल: 60 चक्र |
|
| 9 | कम्पन प्रमाण | कम्पन आवृत्ति: 10 ~ 55HZ; आयाम: 1.5 मिमी; तीन दिशाहरू: 1 एच |
|
| 10 | मिलाप क्षमता: डुबेको भागको ८०% भन्दा बढी सोल्डरले ढाकिएको हुनुपर्छ |
सोल्डरिंग तापमान: 235 ± 5 ℃ डुब्ने समय: 2~3S |
|
| 11 | मिलाप गर्मी प्रतिरोध | डिप सोल्डरिङ: 260±5℃ 5±1S म्यानुअल सोल्डरिङ: 300±5℃ 2~3S |
|
| 12 | सुरक्षा स्वीकृतिहरू | UL, CSA, VDE, ENEC, CE | |
| 13 | परीक्षण सर्तहरू | परिवेश तापमान: 20 ± 5 ℃ सापेक्षिक आर्द्रता: 65±5% RH हावाको चाप: 86~106KPa |
|
Tongda तार इलेक्ट्रिक माइक्रो USB इनलाइन पावर स्विच विवरणहरू

